Skip to content

DAB Modulator / Exciter LV5e

The RFmondial LV5e is designed for enabling transmitter manufacturers to enter the DAB broadcast market or for providing existing manufacturers an alternative source for their production. Next to an OEM fully digital broadcast exciter it provides integrated field proven monitoring capabilities.

Key Features

  • Highly reliable embedded platform
  • VHF Band III 174 - 230 MHz (extended range on request)
  • DAB+ modulation from redundant EDI/SRT streams
  • Advanced and field-proven signal processing
  • Integrated monitoring capabilities
  • Adapter board with DIN 41612 connector (Protel) available

rfdab

Transmission Features

  • SFN (Single Frequency Network)
  • MFN (Multiple Frequency Network)
  • Crest Factor Reduction: configurable PAPR reduction and limiting
  • State of the art pre-distortion and power-amplifier linearization

rfdab

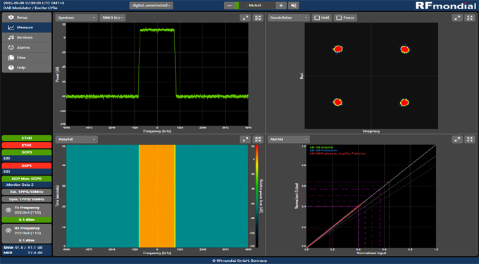
Advanced Monitoring

  • RF monitoring like MER over carrier, constellation, spectrum, shoulder, PAPR CCDF, absolut SFN timing
  • DCP/EDI monitoring like net/gross bitrates, frame counts/loss, packet jitter, assembly duration
  • Service decoding including audio streaming and data services display

rfdab